Product
Arm Span
  • no limit
  • Within 1.5 meters
  • Within 2 meters
  • Within 2.5 meters
  • Within 3 meters
  • Within 4 meters
Load
  • no limit
  • Within 10kg
  • Within 30kg
  • Within 50kg
  • Within 100kg
  • Within 200kg
  • Within 400kg
Selection tool
Hey, hello
What can I do to help?

Leave us a message

Please leave a message

CRP-RH26-210
Describe
Industrial robot spot welding application
FUNCTIONAL FEATURES
  • Arm span 2.6 meters, high rigidity, strong load capacity, more stable operation. 

  • Adopt a hollow arm structure and built - in wrist cable, without considering the interference caused by the external winding mode with the neighboring robot or peripheral equipment. 

  • Adopt a hollow arm structure and built - in wrist cable, without considering the interference caused by the external winding mode with the neighboring robot or peripheral equipment. 

  • Adopt a hollow arm structure and built - in wrist cable, without considering the interference caused by the external winding mode with the neighboring robot or peripheral equipment. 

  • The robot body adopts highly flexible special cable.

  • Built - in three - phase filter can effectively improve the performance of EMC and EMI. 

  • The body provides Φ12mm dual - loop gas pipes and Φ19.5mm dual - loop water pipes to meet welding and transportation requirements. 

  • Using high - speed, high - overload capacity servo motor, high - precision RV reducer and the latest anti - vibration control strategy, shorten the pitch operation time, optimize the gun shaft operation sequence of the servo welding torch, and significantly shorten the cycle time. 

  • The installation area of the whole machine is small, which can achieve high density installation and wiring, and multiple units work together. 

  • Simple structure, friendly operation interface, easy maintenance, easy to operate.

ROBOT BODY TECHNICAL PARAMETERS

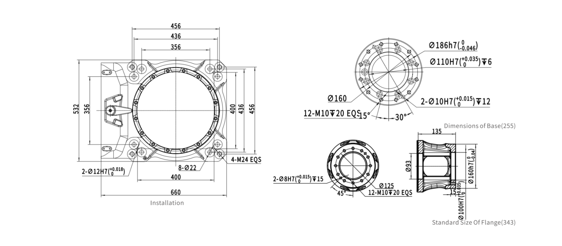
INSTALLATION INTERFACE DIAGRAM

MOTION RANGE DIAGRAM